Forum Strippenstrolch

Forums-Ausgangsseite

log in | registrieren

zurück zum Board
Thread-Ansicht  Mix-Ansicht  Reihenfolge
Dominik

E-Mail

18.10.2006, 10:49
 

Vorverstärkung: Beschaltung eines TLC272

Hallo.Ich habe eine Frage zum Einsatz eines Vorverstärkers. In der Diskussion zum Fledermausempfänger tauchte ja bereits der Einwand auf, dass der LM386 dafür nicht der geeignete wäre. Die Empfehlung war, einen TLC272 zu verwenden. Nun benötige ich wieder einmal einen Vorverstärker innerhalb einer Schaltung, was mit dem LM386 bereits funktioniert aber bei bestimmten Einstellungen flackert etwas, was nicht flackern soll. Vielleicht liegt es am IC, vielleicht auch nicht - dennoch würde ich gern wissen, wie so ein TLC272 zu beschalten ist. Das englische Fachjargon in den Datenblättern verwirrt.[image]Der Verstärker soll schlicht ein Audiosignal auf ein höheres Level bringen. Interessant wäre eine regelbare Verstärkung. Ich hoffe, das passende Schaltungsbeispiel im Datenblatt gewählt zu haben.1) VDD: was ist eigentlich der Unterschied zu VCC?2) ist PIN 2 der Eingang für das Audiosignal? GND Eingangssignal auf PIN 4 vom 272?3) regelbare Verstärkung per 10K Poti?4) CL: wie groß wählt man den?5) 1/2VDD? kommt einfach ein Widerstand zu VDD? Wie berechnet man den Wert?6) Was passiert mit den nicht belegten PINs?Gruß -Dominik

kalledom(R)

18.10.2006, 23:39

@ Dominik

Vorverstärkung: Beschaltung eines TLC272

Hallo,wow, viele Fragen auf einmal.Ich habe Dir mal zwei Schaltpläne für typische NF-Verstärker gemacht:A als nicht-invertierenden NF-Verstärker (pos. rein = pos. raus)B als invertierenden NF-Verstärker (pos. rein = neg. raus)Was Du bei beiden gut erkennen kannst, daß sie mit nur einer Spannung versorgt werden: +9V und GND.Damit der Ausgang von der Mitte (9V / 2 = 4,5V) aus betrachtet positiver und negativer werden kann, muß der nicht-invertierende Eingang, also der Plus-Eingang, auf halbe Versorgungs-Spannung gelegt werden. Das geschieht über R1 und R2 als Spannungsteiler und R3, damit der Eingangswiderstand hochohmig (47k) bleibt.Da jetzt 4,5V Gleichspannung am Plus-Eingang liegen, muß die \'Außenwelt\' von dieser Spannung mittels Kondensator C3 gleichspannungsmäßig entkoppelt werden.Der Verstärkungsfaktor der Schaltung richtet sich nach dem Verhältnis R4 zu R5. Bei 2,2k zu 100k ergibt das etwa 50. Wenn R5 als Poti von 100k mit einem Widerstand 2k2 in Reihe (damit dort nicht auf 0 Ohm gestellt werden kann), eingesetzt wird, kann der Verstärkungsfaktor von 1 bis 50 geregelt werden.Eine Regelung zwischen 0 und 100% Lautstärke kann durch ein Poti hinter C2 zu GND erfolgen.Parallel zu R5 und / oder R4 können auch Kondensatoren als \'Klangfilter\' oder Frequenzfilter zugeschaltet werden. Dazu solltest Du etwas experimentieren.Für mehr Infos: http://www.domnick-elektronik.de/elekovg.htm[image]

Dominik

E-Mail

20.10.2006, 10:21

@ kalledom

Vorverstärkung: Beschaltung eines TLC272

Hallo Karl Heinz,prima - danke schön. Wie vielfältig so ein OpAmp doch ist! Was passiert mit den PINs 5,6 und 7? Einfach nicht beschalten oder auf GND? Wieso nimmt man innerhalb oder am Anfang einer Schaltung keinen LM386?Gruß -Dominik

kalledom(R)

20.10.2006, 10:42

@ Dominik

Vorverstärkung: Beschaltung eines TLC272

Hallo Dominik,den Pin 7 darfst Du nicht an Plus oder GND legen, das ist ein Ausgang !!!Die Pins 5 und 6 hingegen würde ich an GND legen, damit der CMOS-OpAmp keine offenen Eingänge hat und keinen \'Blödsinn\' machen kann wie z.B. schwingen.Der LM386 ist als Endverstärker konzipiert und gehört damit an\'s Ende einer NF-Schaltung.Zum Fahren kannst Du ein Motorrad oder ein Auto nehmen; mit dem Motorrad bist Du beweglicher, im Auto hast Du mehr Leistung.

Dominik

E-Mail

20.10.2006, 12:25

@ kalledom

Vorverstärkung: Beschaltung eines TLC272

Hallo Karl Heinz.Pinbelegung: ok» Zum Fahren kannst Du ein Motorrad oder ein Auto nehmen; mit dem Motorrad» bist Du beweglicher, im Auto hast Du mehr Leistung.Worüber sich trefflich diskutieren liesse: mein Auto macht mit 45 PS 140km/h, mein Moped schafft mit 60 PS 180.. Im Auto, soviel steht fest, wird man jedenfalls nicht nass, wenn es schifft.Vielen Dank -Dominik

Dominik

E-Mail

31.10.2006, 15:55

@ kalledom

Vorverstärkung: Beschaltung eines TLC272

Hallo Karl Heinz,ich bin nun dabei die Vorstufe zu integrieren. Der nachfolgende IC ist ein LM2907 als Frequenz-Spannungswandler. Ich habe doch noch eine Frage:Bei den Eingangs- und Ausgangskondensatoren liegt ja GND immer nach aussen hin. Benötigt ebenso der LM2907 so einen Kondensator? Treffen am Ausgang TL071 - Eingang LM2907 also zwei Elkos mit den GND-Polen aufeinander? Wie verkuppelt man idealerweise die beiden ICs? Wie immer wäre ich sehr erfreut über eine Antwort.Gruss -Dominik

kalledom(R)

31.10.2006, 22:58

@ Dominik

Vorverstärkung: Beschaltung eines TLC272

Hallo Dominik,idealerweise wird ein Ausgang zu einem Eingang mit einem ungepolten Kondensator verbunden; das kann ein Keramik-Kondensator oder ein gewickelter Kondensator MKS, FKP, MKP, Styroflex oder was auch immer sein. Nur kein Elko oder Tantal.Für NF wird ein Wert 100nF ... 1µF eingesetzt. Für den \'bass-losen\' Frequenzbereich eines Bat-Detektors sind für die höheren Frequenzen 100nF gut.Jeder Kondensator bildet bei Wechselspannung abhängig von der Frequenz einen (Schein-) Widerstand; je niedriger die Frequenz, um so höher der kapazitive Widerstand.Wenn also viel Bass für eine HiFi-Wiedergabe gewünscht wird, ist ein höherer C-Wert zu empfehlen. Für Ausgänge zu Kopfhörern oder Lautsprechern muß der C-Wert je nach Leistung 100 ... 1.000 ... 10.000µF betragen, damit die tiefen Frequenzen auch gut durch kommen.

Dominik

E-Mail

01.11.2006, 00:05

@ kalledom

Vorverstärkung: Beschaltung eines TLC272

Hallo Karl Heinz,das passt gut: meine Schaltung ist mittlerweile etwas (zu) kompliziert geraten, da geht es schon fast um Millimeter. Die Bat-Detektoren brauche ich bald, denn es gibt hier eine Hochbrücke die bereits eifrig umflattert wird. Das ist das Hotel für den großen Abendsegler und ich bin schon gespannt, ob es wirklich so sein wird, dass dort hunderte im November/Dezember zu betrachten bzw. zu belauschen sein werden.Gut - ich werde einen Keramikkondensator vorsehen und bald meinen ersten echten OpAmp hoffentlich mit einem guten Resultat zum Laufen bringen.Danke für die hilfreichen Erläuterungen.Gruss -Dominik

Dominik

E-Mail

05.11.2006, 10:52

@ kalledom

Vorverstärkung: Beschaltung eines TLC272

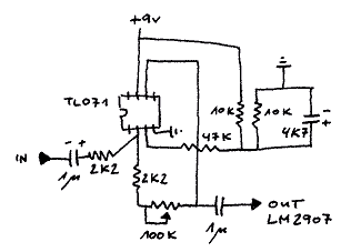
Hallo Karl Heinz,ein Test mit dem TL071 war schon mal nicht schlecht, aber ich weiss nicht, ob ich es so richtig gemacht habe. Der steuerbare Bereich für den nachfolgenden LM2907 ist etwas eingeschränkt; es kommt wohl zur Übersteuerung. Bleiben die Pins 1,5,8 einfach offen? Sind die Werte für die Bauteile unkritisch?Gruss -Dominik[image]

kalledom(R)

05.11.2006, 12:39

@ Dominik

Vorverstärkung: Beschaltung eines TLC272

Hallo Dominik,die Pins 1,5 und 8 bleiben offen. Die sind für Offset-Einstellungen in Meß- und Regelschaltungen und werden bei einem NF-Verstärker nicht benutzt.Da der Eingangs-Widerstand 2k2 ist, ist der Verstärkungs-Faktor bei Poti = 0 Ohm + 2k2: 2k2 zu 2k2 = 1Poti = 100k + 2k2: 102k2 zu 2k2 = 46,5Die Bauteil-Werte sind unkritisch.Wenn bei Poti = 0, also Verstärkung = 1, noch eine Übersteuerung da ist, kommt zu viel rein. Dann müßtest Du vor dem Eingangs-Kondensator einen Spannungsteiler aus 2 Widerständen oder einem Poti einsetzen.

Dominik

E-Mail

08.11.2006, 22:18

@

Fehler nach Absenden eines Beitrags

Hallo Karl Heinz,also es würde mich schon interessieren, obwohl die Implementierung super geklappt hat. Scheint recht anspruchslos zu sein, so ein OpAmp.Gruss -DominikEdit: Admin

Dominik

E-Mail

09.11.2006, 11:48

@ kalledom

Vorverstärkung: Beschaltung eines TL071

Hallo Karl Heinz,super. Das 100K Poti werde ich schlicht durch ein 50K Poti ersetzen, um eine bessere Einstellbarkeit zu erreichen. Die Übersteuerung setzt erst bei einem geschätzten Faktor von 5-15 ein.Prima, ich danke Dir für die Unterstützung!Gruss -Dominik

zurück zum Board
Thread-Ansicht  Mix-Ansicht  Reihenfolge
5412 Postings in 703 Threads, 7 registrierte User, 88 User online (0 reg., 88 Gäste)
Forum Strippenstrolch | Kontakt
RSS Feed
powered by my little forum