Forum Strippenstrolch

Forums-Ausgangsseite

log in | registrieren

zurück zum Board
Thread-Ansicht  Mix-Ansicht  Reihenfolge
VW181(R)

30.05.2024, 17:55
 

Suche IC-INFO zu U2225B

Hallo Gemeinde.

Ich suche Informationen zu dem IC U2225B.
Dieser wird zur Ansteuerung von Zündspulen (z.B. Golf3) verwendet.

Ich möchte eine Testschaltung für den Golf3 bauen.
Möglicht ohne SMD.
Im Netz habe ich den original Schaltungsaufbau gefunden.

Direkt zu IC leider nichts verwertbares gefunden.

Danke im voraus.

Gruß
Jörg

tageloehner(R)

30.05.2024, 23:40
(editiert von tageloehner, 31.05.2024, 00:04)

@ VW181

Suche IC-INFO zu U2225B

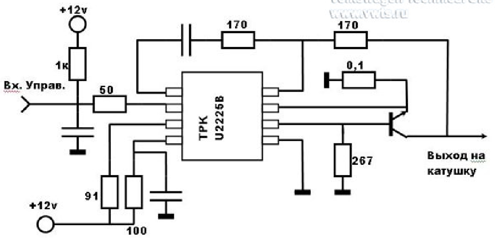
Bei den russen hab ich das hier gefunden
[image]
Auf die eingezeichneten widerstandswerte würde ich nicht vertrauen, die sense Widerstände müßten eig recht hochohmig sein.
Aber üblicherweise knallt dir vom verrotteten Zündkabel erstmal die Spule durch. Wenns den 13006 oder BU941 auch zerballert siehste das am durchgebrannten Emitterwiderstand.
Die funktion von dem ding ist so simpel, daß man das auch mit paar diskreten Bauteilen zambekommt. Bei low -> high am Eingang wird paar Millisekunden mit ordentlich Flankensteilheit der Konstantstrom durch die Zündspule unterbrochen. Bonus: kommen paar Sekunden keine flanken, regelst den konstantstrom runter. Dann steht der Motor.
..dachte eigentlich Golf3 hatte noch Reedkontakt, und dieser chip war nur im 924/928/944 drin..?

zurück zum Board
Thread-Ansicht  Mix-Ansicht  Reihenfolge
5412 Postings in 703 Threads, 7 registrierte User, 86 User online (0 reg., 86 Gäste)
Forum Strippenstrolch | Kontakt
RSS Feed
powered by my little forum