Forum Strippenstrolch

Forums-Ausgangsseite

log in | registrieren

zurück zur Übersicht
Thread-Ansicht  Board-Ansicht
Oskar

E-Mail

27.09.2006, 21:01
 

Schaltung

HiIch bin auf der suche nach einer schaltung weis aber nicht wie ich diese realisieren soll!Also ich habe durch drücken eines tasters (S1) einen impuls von 12V ca 3sekunden lang (egal wie lang der taster gedrückt wird) dieser soll bei nochmaligem betätigen ein relai schalten. Wenn jetzt jedoch ein anderer schalter (S2) betätigt wird soll die \"haltefunktion\" bei einmaligem betätigen des ersten schalters (S1) aufgehoben werden.Ist das irgend wie und relativ einfach zu lösen?gruß Oskar

el-haber

Catania,
28.09.2006, 09:35

@ Oskar
 

Schaltung

Hi,» Also ich habe durch drücken eines tasters (S1) einen impuls von 12V ca» 3sekunden lang (egal wie lang der taster gedrückt wird) dieser soll bei» nochmaligem betätigen ein relai schalten. Wenn jetzt jedoch ein anderer» schalter (S2) betätigt wird soll die \"haltefunktion\" bei einmaligem» betätigen des ersten schalters (S1) aufgehoben werden.soll das elektronisch gelöst werden (Speicher-FF der CMOS-IC-Serie) oder sollen da Relais für irgenwelche Lasten dran? Sind Rückmeldungen zur weiteren Verarbeitung nötig?Ansonsten mit Relais aufbauen (z.B. 2 Kartenrelaise mit 4xUm-Kontakte)Tasterimpuls muß genügend Strom liefern um das erste (und das 2.) Relais zu betätigen.Beim ersten Drücken wird das 1. Relais angesteuert - dieses hält sich dann über einen Kontakt selber und gibt den Impulsanschluß für das 2. Relais frei.Wird der S1 nochmal gedrückt, dann wird Relais 1 und 2 bei Gleichstrom über je 1 Diode angesteuert. Relais 1 hält ohnehin schon, Relais 2 zieht an und hat einen eigenen Haltekontakt.S2 ist in die Masseleitung eingeschleift und als Öffner ausgeprägt. Wird S2 betätigt, dann fallen alle Relais ab. Ist eine kompliziertere Logik erforderlich, dann brauchst Du ein 3. Relais, das die Haltekontakte von R1 und 2 freigibt, wenn S1 und S2 gedrückt sind.CUStefano

Oskar

E-Mail

28.09.2006, 09:47

@ el-haber
 

Schaltung

HalloIch danke dir für deine hilfe!Das mit der selbsthaltung von den relais reicht mir von der funktion, das andere wär mir bestimmt zu kompliziert. Bin nur nen Industriemechaniker :)Werde es mal testen und mich dan wider melden.gruß Oskar

Oskar

E-Mail

28.09.2006, 10:00

@ Oskar
 

Schaltung

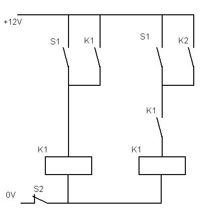
So hab hier jetzt mal ne schaltung gemacht hoff die ist richtig so.[image]gruß Oskar

el-haber

Catania,
28.09.2006, 15:02

@ Oskar
 

Schaltung

Ciao Oskar,sieht gut aus.Hat der Taster S1 wirklich 2 unabhängige Schliesser-Kontakte?CUStefano

Oskar(R)

28.09.2006, 15:42

@ el-haber
 

Schaltung

Nein is einer, aber es hat sich sowieso erledigt, da mein Vorhaben nicht realisierbar ist...Trotzdem vielen Dank für deine hilfe!gruß Oskar

el-haber

Catania,
28.09.2006, 18:00

@ Oskar
 

Schaltung

So wie gezeichnet muß S1 entweder 2 Schließer haben oder die 2 Pfade bei GLeichstomversorgung mit 2 DIoden getrennt an die Relaise anlegen, da sonst der selbsthaltekontakt von K1 das K2 gleich mit anziehen läßt.CUStefano

zurück zur Übersicht
Thread-Ansicht  Board-Ansicht
5412 Postings in 703 Threads, 7 registrierte User, 42 User online (0 reg., 42 Gäste)
Forum Strippenstrolch | Kontakt
RSS Feed
powered by my little forum